吃瓜网
0
心脏热线(预约咨询):968120
语言切换
English
中文
吃瓜网
名医名科
吃瓜网介绍
科室介绍
心血管内科
心脏大血管外科
结构性心脏病科
血管外科
急诊医学科
医技医辅
特需综合科
体检中心
就医服务
预约挂号
就医流程
医院导航
意见建议
公益救助
医保服务
常见问题
护理天地
创新技术
吃瓜网资讯
媒体报道
吃瓜网动态
视频新闻
健康科普
通知公告
采购信息
科研教学
科学研究
医学教育
医学伦理
进修培训
了解厦心
医院介绍
历史足迹
医院荣誉
文化理念
医院环境
患者表扬
党群工作
联系我们
加入厦心
招聘系统
招聘资讯
应聘流程
联系我们
厦心+
金砖创新中心
心苗计划
产业创新基地
专题专栏
国家胸痛中心区域认证中心
厦门市心血管介入质量控制中心
厦门市心血管病外科医疗质量控制中心
大众/同行
大众
预约挂号
就医流程
医院导航
公益救助
吃瓜网介绍
医保服务
同行
吃瓜网动态
进修培训
科室介绍
科学研究
医学教育
加入厦心
EN
搜索
吃瓜网
名医名科
吃瓜网介绍
科室介绍
心血管内科
心脏大血管外科
结构性心脏病科
血管外科
急诊医学科
医技医辅
特需综合科
体检中心
就医服务
预约挂号
就医流程
医院导航
意见建议
公益救助
医保服务
常见问题
护理天地
创新技术
吃瓜网资讯
媒体报道
吃瓜网动态
视频新闻
健康科普
通知公告
采购信息
科研教学
科学研究
医学教育
医学伦理
进修培训
了解厦心
医院介绍
历史足迹
医院荣誉
文化理念
医院环境
患者表扬
党群工作
联系我们
加入厦心
招聘系统
招聘资讯
应聘流程
联系我们
厦心+
金砖创新中心
心苗计划
产业创新基地
专题专栏
国家胸痛中心区域认证中心
厦门市心血管介入质量控制中心
厦门市心血管病外科医疗质量控制中心
心脏热线(预约咨询):968120
吃瓜网资讯
采购信息
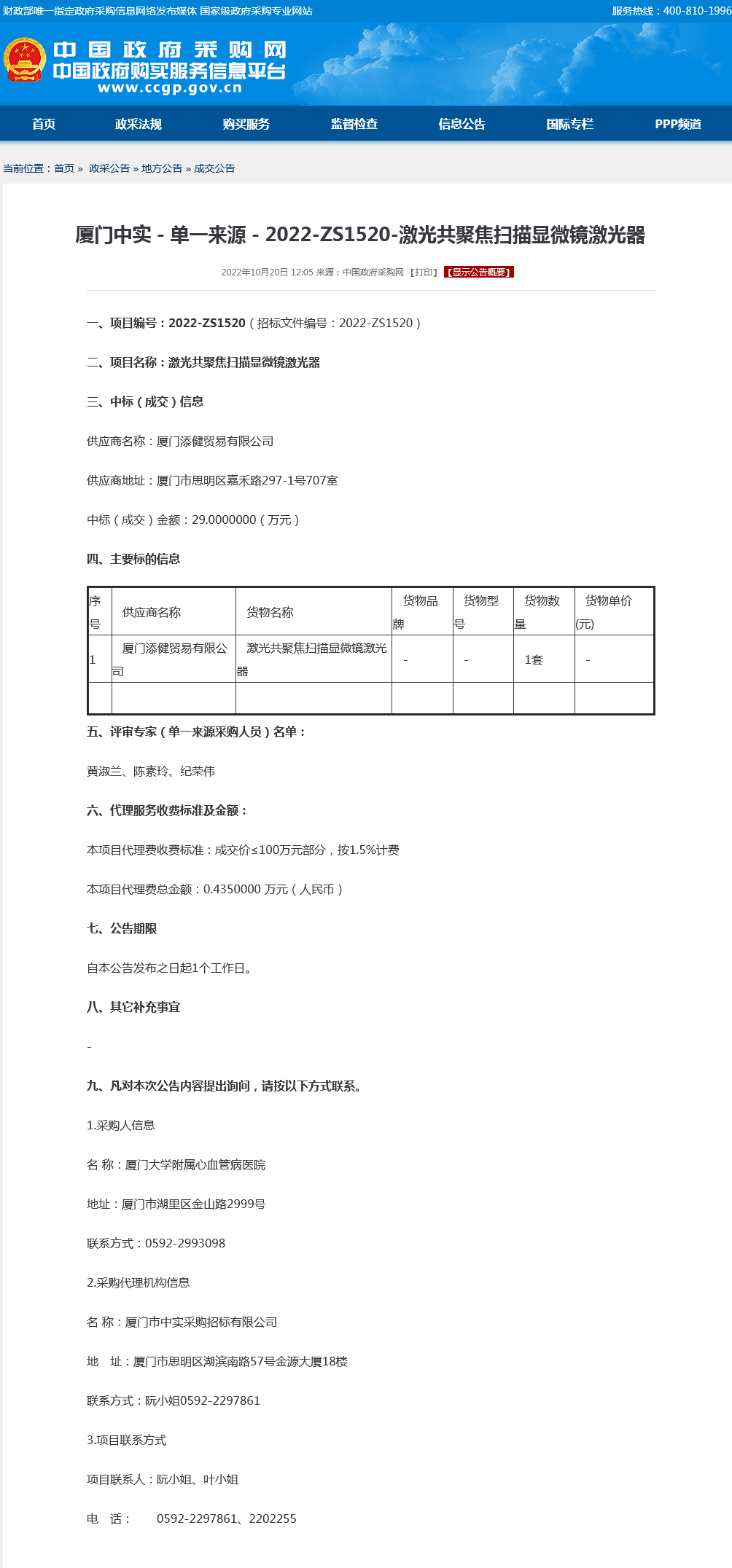
激光共聚焦扫描显微镜激光器采购结果公告
2022-10-20
分享
上一篇:康复设备一批项目采购公告
下一篇:竞争性磋商-2022-ZS1474-临床业务系统政策性改造及科室主索引改造项目-采购公告
预约挂号
公众号
联系我们